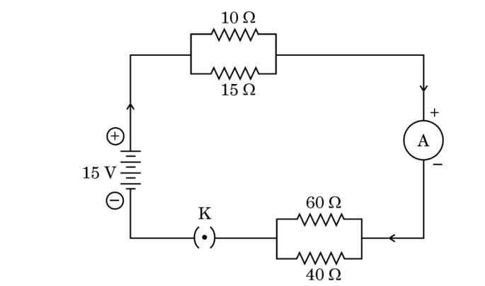
Consider the following electric circuit :
Calculate the values of the following :
- The total resistance of the circuit
- The total current drawn from the source
- Potential difference across the parallel combination of 10 Ω and 15 Ω resistors

- Answer:

- Exam Year: 2025
Related Questions
- Find the sum of first 8 multiples of 3
- State Joule's law of heating. Express it mathematically when an appliance of resistance R is connected
- Write the molecular formula of the following carbon compounds
- Describe any three major problems faced by Indian cotton weavers in nineteenth century
- Arrange the following in chronological order and choose the correct option
- Explain any two problems of the ‘global ecology’ arising due to indiscriminate use of resources